Строительные материалы - купить с доставкой. Теплоизоляция, кровля, сайдинг, ондулин, парогидроизоляция.
СИБИРСКИЙ БИЗНЕС
Тепло / гидроизоляция
и кровельные материалы
Ваш город
Абакан
8 (3902) 30-50-84
8 800 101-99-59 Единая справочная
Каталог
  • Утеплитель
    Утеплитель
    • Базальтовый утеплитель
    • Утеплитель из стекловолокна
    • Утеплитель на основе кварца
      • ISOROC
      • Утепляев
      • VETONIT
      • ISOVER
    • Экструдированный пенополистирол (XPS)
    • Техническая теплоизоляция
    • Межвенцовые утеплители
    • ПИР
  • Кровельные материалы
    Кровельные материалы
    • Ондулин и Ондувилла
    • Гибкая черепица
    • Мастики и праймеры
    • Наплавляемая кровля и рубероид
    • Металлочерепица и Профлист
    • Аксессуары для кровли
    • Кровельные мембраны
  • Сайдинг и фасадные панели
    Сайдинг и фасадные панели
    • Сайдинг
    • Софит
    • Фасадные панели
    • Аксессуары
    • Профиль для фасадных систем
    • Фасадные Плиты
    • Фасадная плитка Hauberk
  • Водосточные системы
    Водосточные системы
    • Дёке
    • Технониколь
    • Альта-Профиль
    • Металлпрофиль
    • MUROL
  • Пароизоляция и гидроизоляция
    Пароизоляция и гидроизоляция
    • Вспененный пенополиэтилен
    • Плёнки изоляционные
    • Соединительные ленты и скотчи
    • Профилированные мембраны
    • Геотекстиль
    • Гидрошпонка
  • Листовые материалы и профили для ГКЛ
    Листовые материалы и профили для ГКЛ
    • OSB
    • Гипсокартон
    • Профиль для ГКЛ
    • ДВП
    • Фанера
    • ЦСП
  • Сухие смеси
    Сухие смеси
    • BROZEX
    • Ветонит
    • Геркулес
    • ОСНОВИТ
    • Ceresit
    • Кальматрон - Н
    • РЕКС
    • Индастро
  • Крепёж
    Крепёж
    • Дюбели
    • Саморезы
    • Специальный крепеж (заклёпки)
    • Гибкие связи, защёлки
    • Крепёж для фасадных систем утепления
    • Крепеж для кровельных систем
  • Строительная химия
    Строительная химия
    • Полимерные покрытия TAIKOR
    • Герметики, жидкие гвозди, пены монтажные
    • Добавки в бетон
  • Прочие товары
    Прочие товары
    • Стеклосетки
    • Рулонная сетка
  • Отопительное оборудование
    Отопительное оборудование
    • Газовые котлы
    • Комплектующие
  • Материалы для мостов и дорог
    Материалы для мостов и дорог
  • Дерево
    Дерево
    • МАФы
    • Погонаж
  • Собственная продукция
    • Завод Минерал
Акции
Бренды
Услуги
  • Консультации
  • Оплата и Доставка
    • Условия возврата товара
    • Конфиденциальность платежей
    • Оптовикам
О нас
  • О компании
  • События
  • Вакансии
Контакты
Ещё
    Строительные материалы - купить с доставкой. Теплоизоляция, кровля, сайдинг, ондулин, парогидроизоляция.
    Каталог
    • Утеплитель
      Утеплитель
      • Базальтовый утеплитель
      • Утеплитель из стекловолокна
      • Утеплитель на основе кварца
        • ISOROC
        • Утепляев
        • VETONIT
        • ISOVER
      • Экструдированный пенополистирол (XPS)
      • Техническая теплоизоляция
      • Межвенцовые утеплители
      • ПИР
    • Кровельные материалы
      Кровельные материалы
      • Ондулин и Ондувилла
      • Гибкая черепица
      • Мастики и праймеры
      • Наплавляемая кровля и рубероид
      • Металлочерепица и Профлист
      • Аксессуары для кровли
      • Кровельные мембраны
    • Сайдинг и фасадные панели
      Сайдинг и фасадные панели
      • Сайдинг
      • Софит
      • Фасадные панели
      • Аксессуары
      • Профиль для фасадных систем
      • Фасадные Плиты
      • Фасадная плитка Hauberk
    • Водосточные системы
      Водосточные системы
      • Дёке
      • Технониколь
      • Альта-Профиль
      • Металлпрофиль
      • MUROL
    • Пароизоляция и гидроизоляция
      Пароизоляция и гидроизоляция
      • Вспененный пенополиэтилен
      • Плёнки изоляционные
      • Соединительные ленты и скотчи
      • Профилированные мембраны
      • Геотекстиль
      • Гидрошпонка
    • Листовые материалы и профили для ГКЛ
      Листовые материалы и профили для ГКЛ
      • OSB
      • Гипсокартон
      • Профиль для ГКЛ
      • ДВП
      • Фанера
      • ЦСП
    • Сухие смеси
      Сухие смеси
      • BROZEX
      • Ветонит
      • Геркулес
      • ОСНОВИТ
      • Ceresit
      • Кальматрон - Н
      • РЕКС
      • Индастро
    • Крепёж
      Крепёж
      • Дюбели
      • Саморезы
      • Специальный крепеж (заклёпки)
      • Гибкие связи, защёлки
      • Крепёж для фасадных систем утепления
      • Крепеж для кровельных систем
    • Строительная химия
      Строительная химия
      • Полимерные покрытия TAIKOR
      • Герметики, жидкие гвозди, пены монтажные
      • Добавки в бетон
    • Прочие товары
      Прочие товары
      • Стеклосетки
      • Рулонная сетка
    • Отопительное оборудование
      Отопительное оборудование
      • Газовые котлы
      • Комплектующие
    • Материалы для мостов и дорог
      Материалы для мостов и дорог
    • Дерево
      Дерево
      • МАФы
      • Погонаж
    • Собственная продукция
      • Завод Минерал
    Акции
    Бренды
    Услуги
    • Консультации
    • Оплата и Доставка
      • Условия возврата товара
      • Конфиденциальность платежей
      • Оптовикам
    О нас
    • О компании
    • События
    • Вакансии
    Контакты
    Ещё
      Строительные материалы - купить с доставкой. Теплоизоляция, кровля, сайдинг, ондулин, парогидроизоляция.
      Телефоны
      8 (3902) 30-50-84 Офис
      8 800 101-99-59Единая справочная
      Заказать звонок
      • Каталог
        • Назад
        • Каталог
        • Утеплитель
          • Назад
          • Утеплитель
          • Базальтовый утеплитель
          • Утеплитель из стекловолокна
          • Утеплитель на основе кварца
            • Назад
            • Утеплитель на основе кварца
            • ISOROC
            • Утепляев
            • VETONIT
            • ISOVER
          • Экструдированный пенополистирол (XPS)
          • Техническая теплоизоляция
          • Межвенцовые утеплители
          • ПИР
        • Кровельные материалы
          • Назад
          • Кровельные материалы
          • Ондулин и Ондувилла
          • Гибкая черепица
          • Мастики и праймеры
          • Наплавляемая кровля и рубероид
          • Металлочерепица и Профлист
          • Аксессуары для кровли
          • Кровельные мембраны
        • Сайдинг и фасадные панели
          • Назад
          • Сайдинг и фасадные панели
          • Сайдинг
          • Софит
          • Фасадные панели
          • Аксессуары
          • Профиль для фасадных систем
          • Фасадные Плиты
          • Фасадная плитка Hauberk
        • Водосточные системы
          • Назад
          • Водосточные системы
          • Дёке
          • Технониколь
          • Альта-Профиль
          • Металлпрофиль
          • MUROL
        • Пароизоляция и гидроизоляция
          • Назад
          • Пароизоляция и гидроизоляция
          • Вспененный пенополиэтилен
          • Плёнки изоляционные
          • Соединительные ленты и скотчи
          • Профилированные мембраны
          • Геотекстиль
          • Гидрошпонка
        • Листовые материалы и профили для ГКЛ
          • Назад
          • Листовые материалы и профили для ГКЛ
          • OSB
          • Гипсокартон
          • Профиль для ГКЛ
          • ДВП
          • Фанера
          • ЦСП
        • Сухие смеси
          • Назад
          • Сухие смеси
          • BROZEX
          • Ветонит
          • Геркулес
          • ОСНОВИТ
          • Ceresit
          • Кальматрон - Н
          • РЕКС
          • Индастро
        • Крепёж
          • Назад
          • Крепёж
          • Дюбели
          • Саморезы
          • Специальный крепеж (заклёпки)
          • Гибкие связи, защёлки
          • Крепёж для фасадных систем утепления
          • Крепеж для кровельных систем
        • Строительная химия
          • Назад
          • Строительная химия
          • Полимерные покрытия TAIKOR
          • Герметики, жидкие гвозди, пены монтажные
          • Добавки в бетон
        • Прочие товары
          • Назад
          • Прочие товары
          • Стеклосетки
          • Рулонная сетка
        • Отопительное оборудование
          • Назад
          • Отопительное оборудование
          • Газовые котлы
          • Комплектующие
        • Материалы для мостов и дорог
        • Дерево
          • Назад
          • Дерево
          • МАФы
          • Погонаж
        • Собственная продукция
          • Назад
          • Собственная продукция
          • Завод Минерал
      • Акции
      • Бренды
      • Услуги
        • Назад
        • Услуги
        • Консультации
        • Оплата и Доставка
          • Назад
          • Оплата и Доставка
          • Условия возврата товара
          • Конфиденциальность платежей
          • Оптовикам
      • О нас
        • Назад
        • О нас
        • О компании
        • События
        • Вакансии
      • Контакты
      • 8 (3902) 30-50-84 Офис
        • Назад
        • Телефоны
        • 8 (3902) 30-50-84 Офис
        • 8 800 101-99-59Единая справочная
        • Заказать звонок
      Контактная информация
      Опт и розница:
       ул. Игарская 10
      contact@sbiznes.ru
      • Вконтакте
      • Telegram
      • TikTok

      Пароизоляция и гидроизоляция

      Главная
      -
      Каталог
      -
      Пароизоляция и гидроизоляция
      УтеплительКровельные материалыСайдинг и фасадные панелиВодосточные системыЛистовые материалы и профили для ГКЛСухие смесиКрепёжСтроительная химияПрочие товарыОтопительное оборудованиеМатериалы для мостов и дорог ДеревоСобственная продукция
      Вспененный пенополиэтилен (фото)
      Вспененный пенополиэтилен
      Плёнки изоляционные (фото)
      Плёнки изоляционные
      Соединительные ленты и скотчи (фото)
      Соединительные ленты и скотчи
      Профилированные мембраны (фото)
      Профилированные мембраны
      Геотекстиль (фото)
      Геотекстиль
      Гидрошпонка (фото)
      Гидрошпонка
      Фильтр
      По популярности По алфавиту По цене
      Под заказ
      00ХХ\NOM20220707_142502_ELLP.jpg
      Быстрый просмотр
      Дисклудер Аквастоп Д-25/40 А2-Л63
      - +
      В корзинуВ корзине
      Под заказ
      00ХХ\NOM20220707_141135_pxNS.jpg
      Быстрый просмотр
      Диллатационное устройство Аквастоп ДПП 0/050-АА
      - +
      В корзинуВ корзине
      Под заказ
      00ХХ\NOM20220707_141116_otRY.jpg
      Быстрый просмотр
      Диллатационное устройство Аквастоп ДПВ 8/050-СH
      - +
      В корзинуВ корзине
      Под заказ
      00ХХ\NOM20220707_141234_YcRe.jpg
      Быстрый просмотр
      Диллатационное устройство Аквастоп ДШВ 0/035
      - +
      В корзинуВ корзине
      Под заказ
      00ХХ\NOM20220707_141525_sTox.jpg
      Быстрый просмотр
      Диллатационное устройство Аквастоп ДШС 0/045
      - +
      В корзинуВ корзине
      Под заказ
      00ХХ\NOM20220707_141258_jxxn.jpg
      Быстрый просмотр
      Диллатационное устройство Аквастоп ДШВ 15/025
      - +
      В корзинуВ корзине
      Под заказ
      00ХХ\NOM20220707_141359_jWeh.jpg
      Быстрый просмотр
      Диллатационное устройство Аквастоп ДШКА 0/050
      - +
      В корзинуВ корзине
      Под заказ
      00ХХ\NOM20220707_141222_jbNS.jpg
      Быстрый просмотр
      Диллатационное устройство Аквастоп ДША 0/050
      - +
      В корзинуВ корзине
      Под заказ
      00ХХ\NOM20220707_141442_BNVW.jpg
      Быстрый просмотр
      Диллатационное устройство Аквастоп ТПМ 11/007
      - +
      В корзинуВ корзине
      Под заказ
      00ХХ\NOM20220707_141505_dSpw.jpg
      Быстрый просмотр
      Диллатационное устройство Аквастоп ТПА 12/010
      - +
      В корзинуВ корзине
      Под заказ
      00ХХ\NOM20220707_132633_LgRG.jpg
      Быстрый просмотр
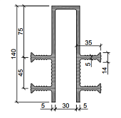
      Гидрошпонка ПВХ Аквастоп ДР-250/50
      - +
      В корзинуВ корзине
      Под заказ
      00ХХ\NOM20220707_132437_XZFv.jpg
      Быстрый просмотр
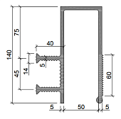
      Гидрошпонка ПВХ Аквастоп ДО-320/50-6/30
      - +
      В корзинуВ корзине
      Под заказ
      00ХХ\NOM20220707_131603_STAC.jpg
      Быстрый просмотр
      Гидрошпонка ПВХ Аквастоп ХО-320-6/25
      - +
      В корзинуВ корзине
      Под заказ
      00ХХ\NOM20220707_131637_SGNJ.jpg
      Быстрый просмотр
      Гидрошпонка ПВХ Аквастоп ХО-240-4/25
      - +
      В корзинуВ корзине
      Под заказ
      00ХХ\NOM20220707_131747_zeGn.jpg
      Быстрый просмотр
      Гидрошпонка ПВХ Аквастоп ХВН-150/04
      - +
      В корзинуВ корзине
      Под заказ
      00ХХ\NOM20220707_131926_HxQS.jpg
      Быстрый просмотр
      Гидрошпонка ПВХ Аквастоп ХВ-200
      - +
      В корзинуВ корзине
      Под заказ
      00ХХ\NOM20220707_131941_myKj.jpg
      Быстрый просмотр
      Гидрошпонка ПВХ Аквастоп ХВ-240
      - +
      В корзинуВ корзине
      Под заказ
      00ХХ\NOM20220707_130632_iwKz.jpg
      Быстрый просмотр
      Гидрошпонка ПВХ Аквастоп ДЗ-70/40-2/35
      - +
      В корзинуВ корзине
      Под заказ
      00ХХ\NOM20220707_130546_Xuru.jpg
      Быстрый просмотр
      Гидрошпонка ПВХ Аквастоп ДЗ-140/30-4/35
      - +
      В корзинуВ корзине
      Под заказ
      00ХХ\NOM20220707_130757_hcPZ.jpg
      Быстрый просмотр
      Гидрошпонка ПВХ Аквастоп ДЗС-140/50-2/40
      - +
      В корзинуВ корзине
      Показать еще
      1 4 5 6 7 8
      • # Комплексные решения
      • Утеплитель
        Утеплитель
        • Базальтовый утеплитель Базальтовый утеплитель
        • Утеплитель из стекловолокна Утеплитель из стекловолокна
        • Утеплитель на основе кварца Утеплитель на основе кварца
          • ISOROC
          • Утепляев
          • VETONIT
          • ISOVER
        • Экструдированный пенополистирол (XPS) Экструдированный пенополистирол (XPS)
        • Техническая теплоизоляция Техническая теплоизоляция
        • Межвенцовые утеплители Межвенцовые утеплители
        • ПИР ПИР
      • Кровельные материалы
        Кровельные материалы
        • Ондулин и Ондувилла Ондулин и Ондувилла
        • Гибкая черепица Гибкая черепица
        • Мастики и праймеры Мастики и праймеры
        • Наплавляемая кровля и рубероид Наплавляемая кровля и рубероид
        • Металлочерепица и Профлист Металлочерепица и Профлист
        • Аксессуары для кровли Аксессуары для кровли
        • Кровельные мембраны Кровельные мембраны
      • Сайдинг и фасадные панели
        Сайдинг и фасадные панели
        • Сайдинг Сайдинг
        • Софит Софит
        • Фасадные панели Фасадные панели
        • Аксессуары Аксессуары
        • Профиль для фасадных систем Профиль для фасадных систем
        • Фасадные Плиты Фасадные Плиты
        • Фасадная плитка Hauberk Фасадная плитка Hauberk
      • Водосточные системы
        Водосточные системы
        • Дёке Дёке
        • Технониколь Технониколь
        • Альта-Профиль Альта-Профиль
        • Металлпрофиль Металлпрофиль
        • MUROL MUROL
      • Пароизоляция и гидроизоляция
        Пароизоляция и гидроизоляция
        • Вспененный пенополиэтилен Вспененный пенополиэтилен
        • Плёнки изоляционные Плёнки изоляционные
        • Соединительные ленты и скотчи Соединительные ленты и скотчи
        • Профилированные мембраны Профилированные мембраны
        • Геотекстиль Геотекстиль
        • Гидрошпонка Гидрошпонка
      • Листовые материалы и профили для ГКЛ
        Листовые материалы и профили для ГКЛ
        • OSB OSB
        • Гипсокартон Гипсокартон
        • Профиль для ГКЛ Профиль для ГКЛ
        • ДВП ДВП
        • Фанера Фанера
        • ЦСП ЦСП
      • Сухие смеси
        Сухие смеси
        • BROZEX BROZEX
        • Ветонит Ветонит
        • Геркулес Геркулес
        • ОСНОВИТ ОСНОВИТ
        • Ceresit Ceresit
        • Кальматрон - Н Кальматрон - Н
        • РЕКС
        • Индастро
      • Крепёж
        Крепёж
        • Дюбели Дюбели
        • Саморезы Саморезы
        • Специальный крепеж (заклёпки) Специальный крепеж (заклёпки)
        • Гибкие связи, защёлки Гибкие связи, защёлки
        • Крепёж для фасадных систем утепления Крепёж для фасадных систем утепления
        • Крепеж для кровельных систем Крепеж для кровельных систем
      • Строительная химия
        Строительная химия
        • Полимерные покрытия TAIKOR Полимерные покрытия TAIKOR
        • Герметики, жидкие гвозди, пены монтажные Герметики, жидкие гвозди, пены монтажные
        • Добавки в бетон Добавки в бетон
      • Прочие товары
        Прочие товары
        • Стеклосетки Стеклосетки
        • Рулонная сетка
      • Отопительное оборудование
        Отопительное оборудование
        • Газовые котлы Газовые котлы
        • Комплектующие Комплектующие
      • Материалы для мостов и дорог
        Материалы для мостов и дорог
      • Дерево
        Дерево
        • МАФы МАФы
        • Погонаж Погонаж
      • Собственная продукция
        • Завод Минерал
      Подпишись
      Много интересного
      на нашем
      телеграм-канале

      Сибирский Бизнес, Группа Компаний отзывы сотрудников о работодателе на Dream Job
      О компании
      История компании
      Акции
      Новости
      Бренды
      Вакансии
      Оптовикам
      Личный кабинет
      Помощь
      Оплата и доставка
      Контакты
      Политика конфиденциальности
      Условия оферты
      Консультация
      Подпишись
      Подписаться на телеграм-канал
      Оставайтесь на связи
      • Max
      • Вконтакте
      • Telegram
      • TikTok
      Наши телефоны
      8 (3902) 30-50-84
      8 800 101-99-59
      Наши контакты
      contact@sbiznes.ru
      Опт и розница:
       ул. Игарская 10
      2026 © Сибирский бизнес
      Пожалуйста, актуальность цен уточняйте у менеджера филиала.

      Оставьте свои данные наш менеджер ответит вам в ближайшее время